Y型過濾器 |
產品概述 過濾器是除去液體中少量固體顆粒的小型設備,可保護壓縮機、泵、儀表和其它設備的正常工作,當物體進入置有一定規格濾網的濾筒后,其雜志被阻擋,而清潔的濾液則由過濾器出口排出,當需要清洗時,只要將可拆卸的濾筒取出,處理后重新裝入即可,因此,使用維護極為方便。 本公司生產的過濾器具有結構緊湊、過濾能力大、壓損小、適用范圍廣、維護方便、價格低廉等優點,其主要適用的物料有: 化工、石油化工生產中弱腐蝕性物料,如:水、油品、氨、 烴類等。 化工生產中的腐蝕性物料,如:燒堿、純堿、濃稀硫酸、碳酸、醛酸等。 制冷中的低溫物料,如:液甲烷、液氨、液氧和各種冷劑。 食品、制藥生產中有衛生要求的物料,如:啤酒、飲料、乳制品、糖漿等。 公司新近推出的智能過濾器系列產品,除具有普通過濾器的所有功能外,同時還具有提供更換、清洗濾網信息的標志和遠程聲光報警功能,它的基本原理是利用流經過過濾器流體入口與出口的壓力差,使智能器內壓差式信號發生器動作,在智能一端的紅圓柱便冒出或發生報警信號,表示濾網被阻塞需要換或清洗。它克服了當今普通過濾器因無法及時指示濾網的阻塞程度而造成斷流、燒泵或誤判濾網阻塞白白浪費人力、物力等弊端,是一種理想的更新換代產品。若將它串聯地安裝在泵的入口或系統管理線的其他部位,即可延長泵和其他設備的使用壽命,又能保證整個系統安全。 型號標注 本公司生產的管道過濾器,主要有:1、Y型過濾器 2、T型過濾器 3、籃式過濾器 4、臨時過濾器 5、氣體過濾器。 其型號標注如下: 1、 Y型過濾器 (1)Y型鑄造螺紋連接式(PFYI-R型)、承插焊接式(PFY-SW型)(DN15~50,PN≤5.0MPa)PFYI-R、PFYI-SW型
|
型號 |
PFYI-R |
|
DN |
D |
L |
H |
N |
|
15 |
Rc1/2 |
100 |
74 |
Rc1/4 |
|
20 |
Rc3/4 |
110 |
55 |
|
25 |
Rc1 |
130 |
103 |
|
32 |
Rc1¼ |
160 |
110 |
|
40 |
Rc1½ |
180 |
132 |
|
50 |
Rc2 |
200 |
153 |
Rc3/8 |
|
型號 |
PFYI-SW |
|
DN |
D |
L |
H |
N |
|
15 |
21.8/18.5 |
100 |
74 |
Rc1/4 |
|
20 |
27.4/25.5 |
110 |
88 |
|
25 |
34.2/32.5 |
130 |
103 |
|
32 |
42.9/38.5 |
160 |
110 |
|
40 |
48.8/45.6 |
180 |
132 |
|
501 |
61.3/58 |
200 |
153 |
Rc3/8 | (2)Y型鑄造同徑法蘭連接式(PFYI-F型)(DN15~250,PN≤5.0MPa)
|
DN |
L |
H |
N |
|
15 |
140 |
120 |
Rc1/4 |
|
20 |
140 |
120 |
|
25 |
140 |
120 |
|
32 |
170 |
160 |
|
40 |
270 |
160 |
Rc3/8 |
|
50 |
270 |
180 |
|
65 |
290 |
190 |
Rc3/4 |
|
80 |
360 |
250 |
|
100 |
410 |
280 |
|
125 |
480 |
330 |
|
150 |
520 |
360 |
M20×1.5 |
|
200 |
660 |
450 |
|
250 |
870 |
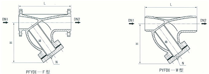
670 | (3) Y型鑄造異徑法蘭連接式(PFYI-F型)、異徑對焊連接式(PFYI-W型)(DN40×32~250×200,PN≤5.0MPa)
|
DN1×DN2 |
PFYDI-F, L |
PFYDI-W, L |
H |
N |
|
40×32 |
250 |
210 |
160 |
Rc1/4 |
|
50×40 |
270 |
240 |
190 |
Rc3/8 |
|
80×50 |
320 |
310 |
250 |
Rc3/4 |
|
80×65 |
360 |
310 |
260 |
|
100×65 |
410 |
370 |
280 |
|
100×80 |
410 |
370 |
280 |
|
150×100 |
520 |
490 |
360 |
M20×1.5 |
|
200×100 |
660 |
600 |
450 |
|
200×150 |
660 |
600 |
450 |
|
250×200 |
870 |
800 |
670 | (4)Y型焊接椎管螺絲紋式(PFYII-R型)、承插焊式(PFYII-SW型)(DN15~40,PN≤5.0MPa) PFYII-R,PFYII-SW型
|
DN |
L |
N |
H |
PFYII-R型 |
PFYII-SW型 |
|
D |
D |
T |
|
15 |
130 |
Rc3/8 |
169 |
RC1/2 |
21.8/18.5 |
10 |
|
20 |
130 |
179 |
RC3/4 |
27.4/25.5 |
13 |
|
25 |
140 |
182 |
RC1 |
34.2/32.5 |
13 |
|
32 |
160 |
209 |
RC1¼ |
42.9/38.5 |
13 |
|
40 |
170 |
217 |
RC1½ |
48.8/45.6 |
13 | (5)Y型焊接法蘭連接式(PFYII-F型)(DN15~400、PN≤5.0MPa) PFYII-F型
|
DN |
L |
H |
N |
|
15 |
260 |
180 |
Rc1/4 |
|
20 |
270 |
190 |
|
25 |
270 |
190 |
|
32 |
280 |
230 |
|
40 |
280 |
230 |
|
50 |
290 |
245 |
Rc3/8 |
|
65 |
320 |
280 |
|
80 |
350 |
315 |
|
100 |
425 |
360 |
|
125 |
480 |
390 |
|
150 |
540 |
460 |
Rc3/4 |
|
200 |
700 |
540 |
|
250 |
800 |
660 |
M20×1.5 |
|
300 |
950 |
750 |
|
350 |
1050 |
845 |
|
400 |
1250 |
920 | (6)Y型帶夾套焊制法蘭聯接式(PEYJII-F型)(DN20~200,PN≤5.0MPa) PFYJII-F型
|
DN |
L |
H |
進出口a.b |
蒸汽壓力 |
N |
|
20 |
370 |
235 |
ZG1/2 |
≤0.6MPa |
Rc1/4 |
|
25 |
370 |
235 |
|
32 |
390 |
275 |
|
40 |
390 |
285 |
ZG3/4 |
|
50 |
420 |
295 |
Rc3/8 |
|
65 |
450 |
330 |
|
80 |
500 |
370 |
|
100 |
575 |
415 |
|
125 |
650 |
450 |
|
150 |
700 |
525 |
DN25 |
Rc3/4 |
|
200 |
890 |
610 | (7)Y型異徑法蘭聯接式(PFYDII-F-A,PFYDII-F-B,PFYDII-F-C型)(PN≤10.0MPa) (8)Y型焊制異徑對焊接式(PFYDII-W-A,PFYDII-W-B,PFYDII-W-C型)(PN≤10.0MPa) PFYDⅡ—F—A,B,C,PFYDⅡ—W——A,B,C型

|
DN1×DN2 |
H |
DN |
PFYDII-F-A,B,C型L |
PFYDII-W-A,B,C型L |
|
PN≤2.0 |
PN≤5.0 |
PN≤10.0 |
|
50×40 |
230 |
40 |
320 |
332 |
337 |
190 |
|
65×40 |
240 |
50 |
320 |
332 |
337 |
190 |
|
65×50 |
240 |
50 |
320 |
332 |
338 |
190 |
|
80×40 |
240 |
50 |
320 |
335 |
340 |
190 |
|
80×50 |
280 |
65 |
340 |
355 |
360 |
200 |
|
80×65 |
280 |
65 |
340 |
355 |
360 |
200 |
|
100×50 |
280 |
65 |
400 |
415 |
440 |
260 |
|
100×65 |
310 |
80 |
425 |
440 |
460 |
280 |
|
100×80 |
310 |
80 |
425 |
445 |
460 |
280 |
|
125×65 |
310 |
80 |
415 |
455 |
470 |
280 |
|
125×80 |
350 |
100 |
465 |
485 |
505 |
300 |
|
125×100 |
350 |
100 |
470 |
490 |
520 |
300 |
|
150×80 |
350 |
100 |
490 |
510 |
535 |
330 |
|
150×100 |
350 |
100 |
500 |
520 |
555 |
335 |
|
150×125 |
400 |
125 |
545 |
565 |
600 |
360 |
|
200×100 |
400 |
125 |
570 |
590 |
630 |
390 |
|
200×125 |
400 |
150 |
580 |
600 |
640 |
390 |
|
200×150 |
450 |
150 |
615 |
635 |
675 |
425 |
|
250×125 |
450 |
200 |
645 |
670 |
725 |
455 |
|
250×150 |
450 |
200 |
645 |
670 |
725 |
455 |
|
250×200 |
530 |
200 |
730 |
755 |
810 |
525 |
|
300×150 |
530 |
200 |
780 |
800 |
850 |
575 |
|
300×200 |
530 |
200 |
800 |
825 |
870 |
585 |
|
300×250 |
670 |
250 |
870 |
900 |
960 |
655 |
|
350×200 |
670 |
250 |
860 |
890 |
950 |
655 |
|
350×250 |
670 |
250 |
860 |
890 |
950 |
655 |
|
350×300 |
750 |
300 |
960 |
990 |
1040 |
720 |
|
400250 |
750 |
300 |
1080 |
1110 |
1190 |
850 |
|
400×300 |
750 |
350 |
1100 |
1140 |
1190 |
860 |
|
400×350 |
850 |
350 |
1180 |
1220 |
1270 |
925 |
|
|