空氣過濾器 |
性能特點 ※過濾器濾料為抗斷裂的合成纖維構成的高性能無紡布,無類似玻纖斷裂的危險,降低破漏風險。 ※過濾器濾料為遞增結構,即往純凈空氣方向的纖維層的密度逐漸增大,延長使用壽命。 ※過濾器濾料作粘性處理,因粘劑完全滲透介質而使塵埃粒子無法通過。 ※過濾器過濾風量大,壓力損失小,過濾效率高,運行可靠。 ※多級組合式過濾,適合不同用戶的需要。 ※獨特的濾件快換安裝框設計,使用和維護十分方便。 ※符合環保。濾件不含PVC染色劑和鹵素,能用于食品級過濾。 典型應用 ※燃氣輪機,離心空氣壓縮機進風口過濾。 ※發電廠,食品廠、飲料廠等行業高壓風機進風口過濾 ※制藥、化工、冶金、生物等領域的空氣凈化系統。 ※中央空調新風機組及通風系統。 1、送風空氣過濾器(SLKI型)
技術參數
| 型號 |
SLKI-1 |
SLKI-2 |
SLKI-4 |
SLKI-6 |
SLKI-9 |
| 過濾級別 |
G3~U17 |
G3~U17 |
G3~U17 |
G3~U17 |
G3~U17 |
| 額定流量Nm3/h |
3400 |
6800 |
13600 |
20400 |
30600 |
| 過濾效率% |
65~99.99 |
65~99.99 |
65~99.99 |
65~99.99 |
65~99.99 |
| 初始壓降pa |
20~40 |
20~40 |
20~40 |
20~40 |
20~40 |
| 推薦最終壓降Pa |
200 |
200 |
250 |
300 |
300 |
| 耐熱性℃ |
80 |
80 |
80 |
80 |
80 |
| 耐濕性,相對溫度% |
100 |
100 |
100 |
100 |
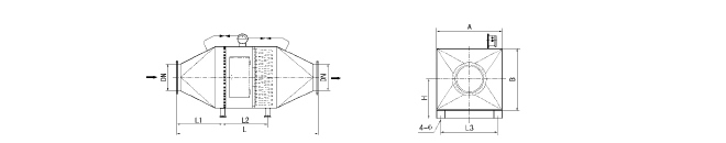
100 | 安裝尺寸表
|
型號 |
SLKI-1 |
SLKI-2 |
SLKI-4 |
SLKI-6 |
SLKI-9 |
|
DN |
DN300 |
DN400 |
DN500 |
DN600 |
DN700 |
|
L |
1900 |
2200 |
2200 |
2800 |
3000 |
|
L1 |
550 |
700 |
700 |
900 |
950 |
|
L2 |
800 |
800 |
800 |
1000 |
1100 |
|
L3 |
450 |
450 |
1000 |
1000 |
1520 |
|
A |
740 |
740 |
1330 |
1330 |
1920 |
|
B |
740 |
1330 |
1330 |
1920 |
1920 |
|
H |
470 |
815 |
815 |
1110 |
1110 |
|
4- ф |
4-ф20 |
4-ф20 |
4-ф24 |
4-ф24 |
4-ф24 | 2、吸風空氣過濾器(SLKII型) 技術參數
|
型號 |
SLKII-1 |
SLKII-2 |
SLKII-4 |
SLKII-6 |
SLKII-9 |
|
過濾級別 |
G3~U17 |
G3~U17 |
G3~U17 |
G3~U17 |
G3~U17 |
|
額定流量Nm3/h |
3400 |
6800 |
13600 |
20400 |
30600 |
|
過濾效率% |
65~99.99 |
65~99.99 |
65~99.99 |
65~99.99 |
65~99.99 |
|
初始壓縮Pa |
20~40 |
20~40 |
20~40 |
20~40 |
20~40 |
|
推薦最終壓縮Pa |
200 |
200 |
250 |
300 |
300 |
|
耐熱性℃ |
80 |
80 |
80 |
80 |
80 |
|
耐濕性,相對溫度% |
100 |
100 |
100 |
100 |
100 | 安裝尺寸表
|
型號 |
SLKII-1 |
SLKII-2 |
SLKII-4 |
SLKII-6 |
SLKII-9 |
|
DN |
DN300 |
DN400 |
DN500 |
DN600 |
DN700 |
|
L |
1850 |
2000 |
2350 |
2800 |
3050 |
|
L1 |
550 |
700 |
700 |
900 |
950 |
|
L2 |
800 |
800 |
800 |
1000 |
1100 |
|
L3 |
450 |
450 |
1000 |
1000 |
1520 |
|
A |
740 |
740 |
1330 |
1330 |
1920 |
|
B |
740 |
1330 |
1330 |
1920 |
1920 |
|
H |
470 |
815 |
815 |
1110 |
1110 |
|
4- ф |
4-ф20 |
4-ф20 |
4-ф24 |
4-ф24 |
4-ф24 |  中國、美國、歐洲效率規格近似對照表
| 中國GB/T14295 |
粗效 |
中效 |
高中效 |
| 美國ASHRAE |
C1 |
C2,3,4 |
L5 |
L6 |
L7 |
LA8 |
M9 |
M10 |
M11 |
M12 |
H13 |
H14 |
| 歐洲CEN |
G1 |
G2 |
G3 |
G4 |
F5 |
F6 |
F6 |
F7 |
F8 |
| 歐洲EUROVENT |
EU1 |
EU2 |
EU3 |
EU4 |
EU5 |
EU6 |
EU6 |
EU7 |
EU8 |
| 中國GB/T14295 |
亞高效 |
高效 |
| 美國ASHRAE |
H15 |
H16 |
UH17 |
UH18 |
UH19 |
UH20 |
| 歐洲CEN |
F9 |
H10 |
H11 |
H12 |
H13 |
H14 |
H15-17 |
| 歐洲EUROVENT |
EU9 |
EU10 |
EU11 |
EU12 |
EU13 |
EU14 |
|
|