非金屬濾芯精心過濾器 |
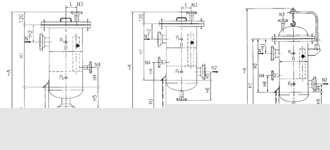
非金屬濾芯精細過濾器 1、纖維燒結濾芯精細過濾器SJFN—I型 SJFN—I型精細過濾器,其濾件采用FN—I型纖維燒結濾芯,具有處理量大,使用壽命長、過濾精度高等優點。用于液體過濾,過濾精度1—125 u m。 ■SJFN—I型精細過濾器主要應用實例 一天然氣開采的胺脫硫加工流程中貧胺、富胺過濾; 一原油開采中,工業污水過濾、注水過濾; 一石油精煉的輕質燃油加工流程中,如石腦油、輕烴油、柴油、汽油、急冷水等過濾; 一化工生產的工廠進水、工藝水、樹脂、溶劑過濾。 2、線纏繞式濾芯精細過濾器SJFN—II型 SJFN—II型精細過濾器其濾件采用FN—II型線纏繞式濾芯,具有過濾能力強,納污能力大,適用范圍廣等優點,主要用于液體過濾,過濾精度0.5—100 u m。 ■SJFN—II型精細過濾器主要應用實例 一芳烴抽提工藝流程中各類溶劑過濾,如環丁砜,二乙醇醚、三乙二醇醚、四乙醇醚、二甲基亞砜等; 一加氫脫硫工藝流程中貧液、富液過濾; 一聚酯行業中,C5一C10烷類、烴類過濾; 一化工、輕工行業:工業水、高質量油墨、油漆等過濾; 一天然氣過濾。 3、聚丙烯折疊式濾芯精細過濾器SJFN—III SJFN—III型精細過濾器,其濾件采用FN—III型聚丙烯折疊式濾芯,具有過濾精度高,處理量大等優點,可用于液體、氣體過濾,過濾精度0.1—60 um。 ■SJFN—III型精細過濾器主要應用實例 一天然氣開采中天然氣及洗氣用的胺過濾: 一制藥行業:無菌水、氣體除菌,各種輸液最終過濾: 一化學工業:有機溶劑、醇等過濾: 一食品工業:食用油,發酵罐空氣過濾等。 ■SLFN型精細過濾器典型結構及尺寸
 SJFN—A型
| 代號 |
濾芯數(個) |
安裝尺寸(mm) |
接管規格DN |
| A |
H1 |
H2 |
H3 |
H4 |
H5 |
D |
L |
N1 |
N2 |
N3 |
N4 |
N5 |
| SJFN-A-01 |
4 |
1520 |
610 |
300 |
400 |
60 |
150 |
ф168 |
50 |
20/25 |
20/25 |
20 |
20 |
20 |
| SJFN-A-02 |
6 |
1770 |
860 |
| SJFN-A-03 |
8 |
1570 |
610 |
300 |
450 |
60 |
180 |
ф219 |
60 |
20/40 |
20/40 |
20 |
20 |
20 |
| SJFN-A-04 |
12 |
1820 |
860 |
| SJFN-A-05 |
12 |
1570 |
610 |
300 |
450 |
60 |
190 |
ф273 |
80 |
25/50 |
25/50 |
20 |
20 |
20 |
| SJFN-A-06 |
18 |
1820 |
860 |
| SJFN-A-07 |
24 |
2070 |
1110 |
500 |
| SJFN-A-08 |
20 |
1610 |
620 |
300 |
480 |
70 |
200 |
ф308 |
100 |
25/50 |
25/50 |
20 |
20 |
20 |
| SJFN-A-09 |
30 |
1860 |
870 |
| SJFN-A-10 |
40 |
2110 |
1120 |
500 |
| SJFN-A-11 |
36 |
1640 |
630 |
300 |
500 |
80 |
230 |
ф412 |
120 |
40/80 |
40/80 |
20 |
20 |
25 |
| SJFN-A-12 |
54 |
1890 |
880 |
| SJFN-A-13 |
72 |
2140 |
1130 |
500 |
| SJFN-A-14 |
48 |
1720 |
630 |
300 |
580 |
80 |
250 |
ф512 |
150 |
50/100 |
50/100 |
20 |
20 |
25 |
| SJFN-A-15 |
72 |
1970 |
880 |
| SJFN-A-16 |
96 |
2220 |
1130 |
500 | 注:濾芯數指折合標準型濾芯(10”長)數目;SJFN-A-08~SJFN-A-16平蓋為吊臂移動式。 SJFN—B型
| 代號 |
濾芯數(個) |
安裝尺寸(mm) |
接管規格DN |
| A |
H1 |
H2 |
H3 |
H4 |
H5 |
D |
L |
N1 |
N2 |
N3 |
N4 |
N5 |
| SJFN-B-01 |
4 |
1580 |
690 |
300 |
380 |
140 |
60 |
ф168 |
50 |
20/25 |
20/25 |
20 |
20 |
20 |
| SJFN-B-02 |
6 |
1830 |
940 |
| SJFN-B-03 |
8 |
1620 |
720 |
300 |
380 |
170 |
80 |
ф219 |
60 |
20/40 |
20/40 |
20 |
20 |
20 |
| SJFN-B-04 |
12 |
1850 |
970 |
| SJFN-B-05 |
12 |
1650 |
745 |
300 |
390 |
195 |
100 |
ф273 |
80 |
25/50 |
25/50 |
20 |
20 |
20 |
| SJFN-B-06 |
18 |
1900 |
995 |
| SJFN-B-07 |
24 |
2150 |
1245 |
500 |
| SJFN-B-08 |
20 |
1660 |
745 |
300 |
400 |
195 |
100 |
ф308 |
100 |
25/50 |
25/50 |
20 |
20 |
20 |
| SJFN-B-09 |
30 |
1910 |
995 |
| SJFN-B-10 |
40 |
2160 |
1245 |
500 |
| SJFN-B-11 |
36 |
1730 |
790 |
300 |
430 |
240 |
130 |
ф412 |
120 |
40/80 |
40/80 |
20 |
20 |
25 |
| SJFN-B-12 |
54 |
1980 |
1040 |
| SJFN-B-13 |
72 |
2230 |
1290 |
500 |
| SJFN-B-14 |
48 |
1770 |
810 |
300 |
450 |
260 |
140 |
ф512 |
150 |
50/100 |
50/100 |
20 |
20 |
25 |
| SJFN-B-15 |
72 |
2020 |
1060 |
| SJFN-B-16 |
96 |
2270 |
1310 |
500 | 注:濾芯數指折合標準型濾芯(10”長)數目;SJFN-A-08~SJFN-A-16平蓋為吊臂移動式。 SJFN—C型
| 代號 |
濾芯數(個) |
安裝尺寸(mm) |
接管規格DN |
| A |
H1 |
H2 |
H3 |
H4 |
H5 |
H6 |
D |
N1 |
N2 |
N3 |
N4 |
N5 |
P1-2 |
| SJFN-C-01 |
48 |
1770 |
1260 |
810 |
300 |
140 |
236 |
260 |
Ф512 |
50/100 |
50/100 |
20 |
20 |
25 |
M20X1.5 |
| SJFN-C-02 |
72 |
2020 |
1510 |
1060 |
| SJFN-C-03 |
74 |
2270 |
1760 |
1310 |
500 |
| SJFN-C-04 |
74 |
1940 |
1430 |
920 |
300 |
200 |
260 |
365 |
Ф612 |
80/150 |
80/150 |
20 |
20 |
25 |
| SJFN-C-05 |
111 |
2190 |
1680 |
1170 |
| SJFN-C-06 |
148 |
2440 |
1930 |
1420 |
500 |
| SJFN-C-07 |
120 |
2010 |
1500 |
920 |
300 |
200 |
330 |
365 |
Ф816 |
100/150 |
100/150 |
20 |
20 |
25 |
| SJFN-C-08 |
180 |
2260 |
1750 |
1170 |
| SJFN-C-09 |
240 |
2510 |
2000 |
1420 |
500 |
| SJFN-C-10 |
210 |
2130 |
1620 |
990 |
300 |
240 |
380 |
440 |
Ф1020 |
100/200 |
100/200 |
25 |
25 |
25 |
| SJFN-C-11 |
315 |
2380 |
1870 |
1240 |
| SJFN-C-12 |
420 |
2630 |
2120 |
1490 |
500 |
| SJFN-C-13 |
280 |
2290 |
1785 |
1100 |
300 |
300 |
435 |
550 |
Ф1224 |
150/300 |
150/300 |
25 |
25 |
25 |
| SJFN-C-14 |
420 |
2540 |
2035 |
1350 |
| SJFN-C-15 |
560 |
2790 |
2285 |
1600 |
500 | 注:濾芯數指折合標準型濾芯(10”長)數目
|
|